溶智纳芯VS9-VS25系列压电陶瓷促动器快速选型VS9系列压电陶瓷促动器VS10系类压电陶瓷促动器VS12系类压电陶瓷促动器VS15系列压电陶瓷促动器VS20系列压电陶瓷促动器VS25系列压电陶瓷促动器PA150/13/30 型封装压电陶瓷简易封装压电陶瓷进口封装闭开环压电陶瓷密封式压电陶瓷促动器封装压电陶瓷高精度直线压电马达系列并联机器人二维纳米定位平台宏动微动位移调节器六自由度并联机器人三维纳米定位平台微动侧位头微型三维微动台一维Z轴纳米定位平台一维Z轴纳米级精密定位平台一维纳米定位平台一维重载纳米定位平台纳米级高精度压电陶瓷位移器二维倾斜台—两点支撑三维高速倾斜台—三点支撑三维平台—四点支撑四脚开环快反镜一维倾斜台—一点支撑RC330.4S-大负载快反镜压电陶瓷偏摆台大推力Z轴微动台放大机械压电陶瓷体微动大推力控制单元三轴压电位移台压电陶瓷位移台压电陶瓷步进位移台八路压电陶瓷驱动及闭环控制器反馈传感器模块及机箱供电电源模块六路闭环压电陶瓷控制器三路闭环压电陶瓷控制器压电陶瓷驱动功率模块压电陶瓷驱动主控模块一路闭环控制器多路信号发生器微型压电陶瓷驱动器压电陶瓷控制器一路大功率压电陶瓷驱动电源四路压电陶瓷驱动电源八路压电陶瓷驱动电源十路模拟二十路数字型压电陶瓷驱动电源70路数字功率电源多路压电陶瓷驱动电源多功能压电陶瓷驱动电源两路超生波驱动电源波形输出压电陶瓷驱动电源大功率压电陶瓷驱动电源高频压电陶瓷驱动电源手动模拟压电陶瓷驱动电源高压电源压电陶瓷驱动电源高精度四轴电动组合台七维加控制器平台三维高精度位移台三轴大行程宏动平台微型三轴宏动平台一维加控制器平台电动组合台MFC压电纤维薄膜薄片状压电陶瓷薄片状压电陶瓷2方形压电陶瓷环形压电陶瓷圆形压电陶瓷高压环形陶瓷系列光纤拉伸压电陶瓷大光纤拉伸压电陶瓷中光纤拉伸压电陶瓷进口方形压电陶瓷进口环形压电陶瓷扫描压电管特殊形状压电陶瓷压电陶瓷片压电陶瓷双晶片DMDTH10.5-环形6.5x1.5方形通孔压电陶瓷压电陶瓷光纤转轴调节台光纤转轴调节台 Rzt1270-s光纤转轴调节台RZT1360-S高精度LVDT测位仪高精度转台小体积转台小体型位移台压电陶瓷旋转体机构一维Z轴楔形高精度电动位移平台电动位移台DMDTH10.5-环形6.5x1.5散热式压电陶瓷促动器CTO定制类产品留言板
哈尔滨道外区永平小区205栋C座2层2号
哈尔滨 ● 松北区华美太古广场Q32-2号
电话 : 13766812829
搜索
小体型位移台

三维高速倾斜台三点支撑

2023329


三维平台四点支撑

20170116161832_20947.jpg


四脚开环快反镜

2023329


一维倾斜台一点支撑

右图.png

参数
尺寸
反馈

产品特点



小巧结构设计,滚珠传动;

微型步进电机驱动;

两端装有限位开关,方便准确定位和保护产品;

底座有标准孔距的螺纹孔和通孔,方便安装固定;

无轴承传动;

可手动调节输出位移;

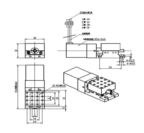
名称:小体型位移台

型 号

Ptx10

单位

运动维数

行程

X轴=10

mm

螺杆导程

1

mm

分辨率

0.0025

mm

运行速度

2

mm/sec

重复定位精度

<0.008

mm

标配电机

28步进电机(1.8º)


负载

2

kg

工作电流

0.45

外形结构尺寸

见附图

mm

承载力

250

g

工作环境

三维电动平移台可在真空3个大气压下使用


20170104104803_96967.png

请给我们您的反馈
1.姓名
*
2.联系方式
*
3. Email
需要回访吗?
4.反馈类型
*
反馈文件上传
未选择文件

最多2个文件,每个10M以内

暂无文件,请上传文件
    5.在下面输入评论
    *
    验证码
     换一张
    *
    提交
    微动与宏动
    MECHANICAL
    ——————————————————————————————————
    13766812829
    rznxkj@163.con
    黑龙江省哈尔滨市松北区华美太古广场Q32-2号