溶智纳芯VS9-VS25系列压电陶瓷促动器快速选型VS9系列压电陶瓷促动器VS10系类压电陶瓷促动器VS12系类压电陶瓷促动器VS15系列压电陶瓷促动器VS20系列压电陶瓷促动器VS25系列压电陶瓷促动器PA150/13/30 型封装压电陶瓷简易封装压电陶瓷进口封装闭开环压电陶瓷密封式压电陶瓷促动器封装压电陶瓷高精度直线压电马达系列并联机器人二维纳米定位平台宏动微动位移调节器六自由度并联机器人三维纳米定位平台微动侧位头微型三维微动台一维Z轴纳米定位平台一维Z轴纳米级精密定位平台一维纳米定位平台一维重载纳米定位平台纳米级高精度压电陶瓷位移器二维倾斜台—两点支撑三维高速倾斜台—三点支撑三维平台—四点支撑四脚开环快反镜一维倾斜台—一点支撑RC330.4S-大负载快反镜压电陶瓷偏摆台大推力Z轴微动台放大机械压电陶瓷体微动大推力控制单元三轴压电位移台压电陶瓷位移台压电陶瓷步进位移台八路压电陶瓷驱动及闭环控制器反馈传感器模块及机箱供电电源模块六路闭环压电陶瓷控制器三路闭环压电陶瓷控制器压电陶瓷驱动功率模块压电陶瓷驱动主控模块一路闭环控制器多路信号发生器微型压电陶瓷驱动器压电陶瓷控制器一路大功率压电陶瓷驱动电源四路压电陶瓷驱动电源八路压电陶瓷驱动电源十路模拟二十路数字型压电陶瓷驱动电源70路数字功率电源多路压电陶瓷驱动电源多功能压电陶瓷驱动电源两路超生波驱动电源波形输出压电陶瓷驱动电源大功率压电陶瓷驱动电源高频压电陶瓷驱动电源手动模拟压电陶瓷驱动电源高压电源压电陶瓷驱动电源高精度四轴电动组合台七维加控制器平台三维高精度位移台三轴大行程宏动平台微型三轴宏动平台一维加控制器平台电动组合台MFC压电纤维薄膜薄片状压电陶瓷薄片状压电陶瓷2方形压电陶瓷环形压电陶瓷圆形压电陶瓷高压环形陶瓷系列光纤拉伸压电陶瓷大光纤拉伸压电陶瓷中光纤拉伸压电陶瓷进口方形压电陶瓷进口环形压电陶瓷扫描压电管特殊形状压电陶瓷压电陶瓷片压电陶瓷双晶片DMDTH10.5-环形6.5x1.5方形通孔压电陶瓷压电陶瓷光纤转轴调节台光纤转轴调节台 Rzt1270-s光纤转轴调节台RZT1360-S高精度LVDT测位仪高精度转台小体积转台小体型位移台压电陶瓷旋转体机构一维Z轴楔形高精度电动位移平台电动位移台DMDTH10.5-环形6.5x1.5散热式压电陶瓷促动器CTO定制类产品留言板
哈尔滨道外区永平小区205栋C座2层2号
哈尔滨 ● 松北区华美太古广场Q32-2号
电话 : 13766812829
搜索
光纤转轴调节台 Rzt1270-s

三维高速倾斜台三点支撑

2023329


三维平台四点支撑

20170116161832_20947.jpg


四脚开环快反镜

2023329


一维倾斜台一点支撑

右图.png

参数
反馈

名称:光纤转轴调节台

型号

指标

Rzt1360

单位

产品结构尺寸

20170415102544_51745.png


20170415102556_84300.png20170415102605_12408.png

以之前网址上的图片

******转角

270

º(度)

电机类型

步进电机(1.8º)


齿轮传动类型

斜齿


传动比

步进电机输入:光纤轴输出 = 2.083   : 1


分辨率

0.0067(驱动器128细分)

º(度)

重复定位精度

0.005

º(度)

机重

0.25

kg

材料

铝合金/锡青铜/尼龙


可更换光纤夹具头

φ120μm可选(φ900μm、φ650μm、φ250μm、φ120μm、等)


******负载

0.5

kg

工作温度范围

-20~+80

ºC

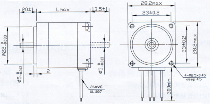
产品编号:28BYG3401

20170415102621_74429.png

■   步距精度(Step Accuracy) ±5%

■   温   升(Temperature Rise)      75℃ Max

■   环境温度(Ambient Temperature Range)   -45℃~+105℃

■   绝缘等级(Insulation Class)      B

■   绝缘电阻(Insulation Resistance) 500VDC 100MΩ Min

■   绝缘强度(Dielectric Strength) 500VAC 50Hz 1Ma Minute

■   径向跳动(radial runout) 0.02mmMax(450g 负载)

■   轴向间隙(axial clearance) 0.08mmMax(450g 负载)

型号

Model

步距角

Step Angle

(O)

机身长

Length

L(mm)

额定电流

Current

(A/phase)

相电阻

Resistance

(Ω/phase)

相电感

Inductance

(mH/phase)

保持转矩

Holding torque

(N.cm)

转动惯量

Rotor inertia

(g.cm2)

重量

Weight

(kg)

28BYG3401

1.8

33

0.6

5.5

3.2

0.4

8

0.11

20170415102638_21390.png

接线图(Connections)A+/A-/B+/B-(选四线接线方法)

驱动电流为0.45A ******0.6A(电机热量很大)

力矩测试数据(仅供参考)

测试条件

驱动电压:DC24V           驱动器设为400步/转

转速转/分

30

100

200

300

600

900

1500

2000

28BYG3401

0.069N.m

0.068N.m

0.065N.m

0.058N.m

0.038N.m

0.031N.m

0.020N.m

0.004N.m

注意:

◆ 步进电机力矩测试数据与驱动器型号、参数设置、驱动器供电电压密切相关;同规格步进电机因定转子间隙不同,饶线方式不同,其矩频特性也不同。

◆ 电机安装前务必用电机前端盖安装止口定位,并注意公差配合,严格保证电机轴与负载轴的同心度,不同心会导致断轴。

◆ 电机与负载连接时,严禁敲击,电机轴与轴承受敲击后可能影响电机性能,甚至损坏。

◆ 电机与驱动器连接时,请勿接错相,错相或缺相时电机不能正常运转,可能损伤步进电机驱动器。

◆ 无电机接线图时,用万用表测量,电机线两两相通,分别接A+A-、B+B-。无万用表时,挑两根电机线短接,若电机轴旋转阻力增大,则这两根线是一组线圈。电机旋转初始方向与所需方向相反时,把A+A-两线换位即可。


请给我们您的反馈(1)(1)
1.姓名
*
2.联系方式
*
3. Email
需要回访吗?
4.反馈类型
*
反馈文件上传
未选择文件

最多2个文件,每个10M以内

暂无文件,请上传文件
    5.在下面输入评论
    *
    验证码
     换一张
    *
    提交
    微动与宏动
    MECHANICAL
    ——————————————————————————————————
    13766812829
    rznxkj@163.con
    黑龙江省哈尔滨市松北区华美太古广场Q32-2号